Manually operated ANSI 150 carbon steel, Butterfly valve high performance, Wafer style, sizes 2” to 16”
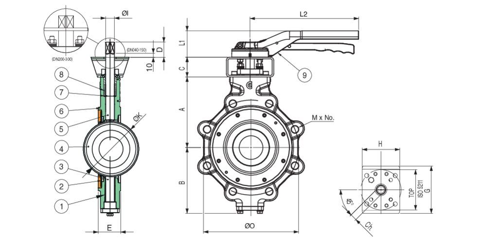
• ISO 5211 direct mounting pad/square stem.
• Compact design, easy access to packin.
• Replaceable seat design.
• Multiple V-ring stem packing.
• Reliable and consistent torques.
• R.T.F.E. seats (metal seats and API 607 Fire-safe options available upon request).
• 365 psi max working pressure.
• Temperature range: -76°F to 446°F
G8100: GEAR OPERATED VERSION
| Position | Part name | Material | N.° pieces |
|---|---|---|---|
| 1 | BODY | ASTM A216 | 1 |
| 2 | SEAT 8100 | RTFE | 1 |
| 2 | SEAT 8120 | INCONEL 625 | 1 |
| 2 | SEAT 8140 | FIRE SAFE | 1 |
| 3 | LOWER SHAFT | A630 | 1 |
| 4 | DISC | ASTM A351-CF8M | 1 |
| 5 | UPPER SHAFT | A630 | 1 |
| 6 | BUSHING | A316+PTFE | 6 |
| 7 | STOP RING | A316 | 1 |
| 8 | SHAFT PACKING | PTFE (RTFE SEAT) | 1 |
| 8A | SHAFT PACKING | GRAPHITE (INCONEL 625/FIRE SAFE SEAT) | 1 |
| 9 | HANLEVER | ALUMINIUM | 1 |
| SIZE | A | B | C | D | E | G | H | ØI | Ch | ØK | L1 | L2 | TOP | A150 (ØD) | A150 (M) | A150 (No.) | Cv | Weight (Lbs) | Break Torque (Nm) RTFE SEAT | Break Torque (Nm) INCONEL 625/FIRE SAFE SEAT |
|---|---|---|---|---|---|---|---|---|---|---|---|---|---|---|---|---|---|---|---|---|
| 10" | 10.12 | 9.13 | 3.15 | 0.91 | 2.72 | 6.30 | 5.12 | 1.18 | 0.87 | 9.34 | - | - | F012/F14 | 14.25 | 7/8-9 | 12 | 3224.1 | 101.41 | 520 | 765 |
| 12" | 11.81 | 10.63 | 3.15 | 1.10 | 3.07 | 6.30 | 5.12 | 1.18 | 1.06 | 11.24 | - | - | F012/F14 | 17.00 | 7/8-9 | 12 | 4697 | 136.69 | 740 | 1085 |
| 14" | 12.91 | 11.97 | 3.94 | 1.10 | 3.62 | 7.87 | 5.51 | 1.57 | 1.06 | 12.61 | - | - | F14 | 18.75 | - | - | 5256.4 | 182.98 | 1190 | 1500 |
| 16" | 15.24 | 13.39 | 3.94 | 1.46 | 4.02 | 7.87 | 5.51 | 1.77 | 1.42 | 14.69 | - | - | F16 | 21.26 | - | - | 7490.3 | 235.89 | 1750 | 2470 |
| 2" | 4.61 | 3.19 | 1.97 | 1.34 | 1.69 | 3.94 | 2.76 | 0.55 | 0.43 | 2.02 | 2.64 | 8.66 | F05/F07 | 4.75 | 5/8-11 | 4 | 77.8 | 77.8 | 40 | 58 |
| 2 1/2" | 4.72 | 3.66 | 1.97 | 1.34 | 1.81 | 3.94 | 2.76 | 0.55 | 0.43 | 2.54 | 2.64 | 8.66 | F05/F07 | 5.50 | 5/8-11 | 4 | 134.6 | 15.43 | 48 | 70 |
| 3" | 5.08 | 3.98 | 1.97 | 1.34 | 1.81 | 3.94 | 2.76 | 0.55 | 0.43 | 3.22 | 2.64 | 8.66 | F05/F07 | 6.00 | 5/8-11 | 4 | 268.7 | 16.76 | 54 | 78 |
| 4" | 6.30 | 5.04 | 1.97 | 1.34 | 2.05 | 3.94 | 2.76 | 0.71 | 0.55 | 3.85 | 2.64 | 10.83 | F05/F07 | 7.50 | 5/8-11 | 8 | 420 | 21.38 | 62 | 89 |
| 5" | 6.69 | 6.26 | 1.97 | 1.50 | 2.20 | 4.72 | 3.54 | 0.87 | 0.67 | 4.80 | 2.99 | 13.39 | F07/F10 | 8.50 | 3/4-11 | 8 | 673.4 | 32.63 | 105 | 154 |
| 6" | 7.05 | 6.61 | 1.97 | 1.50 | 2.20 | 4.72 | 3.54 | 0.87 | 0.67 | 5.45 | 2.99 | 13.39 | F07/F10 | 9.50 | 3/4-10 | 8 | 1029 | 38.80 | 170 | 248 |
| 8" | 8.58 | 8.15 | 2.36 | 0.91 | 2.40 | 4.72 | 3.54 | 1.10 | 0.87 | 7.43 | - | - | F07/F10 | 11.75 | 3/4-10 | 8 | 1950 | 70.55 | 326 | 392 |
WARNING: This product can expose you to chemicals including lead, which is known to the State of California to cause cancer and birth defects or other reproductive harm. For more information go to www.p65warnings.ca.gov.